

【產品簡介】
本品為1000mm直徑,一層兩出口不銹鋼三次元旋振篩,子母網分離式網架,與物料接觸部分為304不銹鋼,底座為碳鋼材質。
免費獲取報價
全國統一銷售熱線
1000型單層旋振篩直徑為100mm,單層篩網,兩個出料口,產量為1400kg/時,主要用于物料的除雜。

1000單層旋振篩采用YZUL立式振動電機作為激振源,通過振動電機上下兩端的偏心重錘將旋轉運動轉變為水平、垂直、傾斜的三次元運動,并傳遞到旋振篩的篩面上;物料通過入料口進入設備內,根據不同物料篩分要求,物料經過1-5層采用不同目數的金屬編織篩網的篩分層,在這個過程中,位于各層的篩網下的清網裝置(彈跳球)通過頻率振動不斷撞擊不銹鋼篩網,使篩網上層物料能夠順暢的透網篩分,并有效解決了物料堵網問題出現,不同目數的物料通過各層對應目數的篩網后在各層的出料口排出,終實現篩選除雜或過濾分級的目的。
1000單層旋振篩技術參數
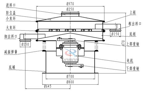
1000單層旋振篩外形尺寸表

1000單層旋振篩結構展示:

1000單層旋振篩適用的行業
化工行業:樹脂、涂料、工業藥品、化妝品、油漆、中藥粉等。
食品行業:糖粉、淀粉、食鹽、米粉、奶粉、豆漿、蛋粉、醬油、果汁等。
金屬、冶金礦業:鋁粉、鉛粉、銅粉、礦石、合金粉、焊條粉末、二氧化錳、電解銅粉、電磁性材料、研磨粉、耐火材料、高嶺土、石灰、氧化鋁、重質碳酸鈣、石英砂等。
公害處理:廢油、廢水、染整廢水、助劑、活性碳等

1000單層旋振篩的特點
1、體積小、重量輕、移動方便、出料口方向可任意調整,粗、細料自動排出,可自動化或人工作業。
2、篩分精度高、效率高,粉、粒、粘液類均可使用。
3、篩網不阻塞、粉末不飛揚、篩分細可達500目(28微米)過濾細可達5微米。
4、獨特網架設計(子母式)、篩網使用長久、換網方便、僅需3—5分鐘、操作簡單、清洗方便。
5、無機械動作、保養簡易、可單層或多層使用、與物料接觸部位為用不銹鋼制作(醫藥用除外)。
6、獨特網架設計,有效縮短換網時間、解決網目堵塞及凹陷問題,清洗方便,操作簡單。
7、密封性好,粉末不飛揚,液體不滲漏。
8、物料自動排出,可以連續作業。
9、采用直立式振動電機,無機械傳動,使激振力傳遞過程無損耗,有效傳遞至篩面。
“大漢”1000單層旋振篩換網圖示:

1000單層旋振篩的使用注意事項
1、必須均勻給料:給料量以滿足設備處理為準。一次投料過多,阻礙物料在篩面上的正常運動,不但易使篩網疲勞變松,而且會大大降低物料處理量。 一次性給予大量物料,會使本身處于不平衡運轉的電機負荷驟然增加,而造成電機損壞、減低電機的壽命。如給料量達不到設備的處理能力,即浪費能源,又降低了 產量。
2、有強大沖擊力的給料方式,必須加裝緩沖料斗,物料直接沖擊網面,不但消耗振動源所產生的激振力,更易造成網面破損及篩網疲勞,而影響產量及篩分.過濾的質量。
3、如篩分物料有腐蝕性,使用過后請及時清理干凈。
4、請經常觀看工作網是否變松,請再次使網繃緊。
您可能還需要了解:
奶粉的篩選離不開振動篩設備,一般廠家建議選擇不銹鋼旋振篩...
篩分面粉一般選擇的振動篩是不銹鋼旋振篩,而其價格一直是用...
大漢醫藥不銹鋼旋振篩價格: 500045000 醫藥不銹鋼旋振篩整機采...
不銹鋼旋振篩采用304不銹鋼材質,耐磨性、耐腐蝕性能好,篩分...
Copyright ? 2007-2020 新鄉市大漢振動機械有限公司 版權所有
All Rights Reserved 備案序號:豫ICP備09002479號-15